Products

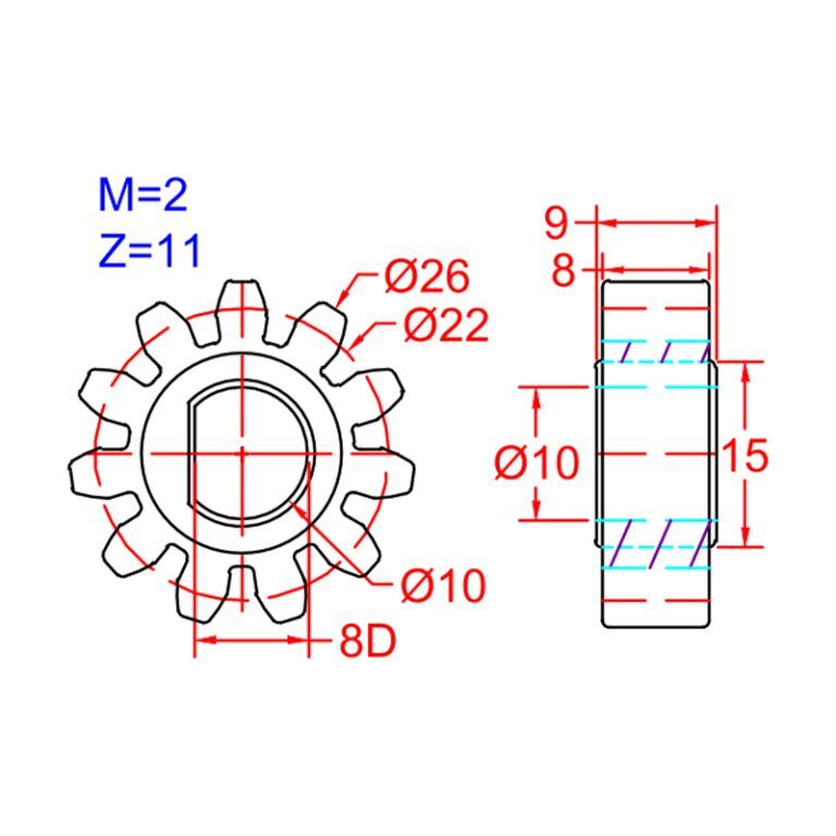
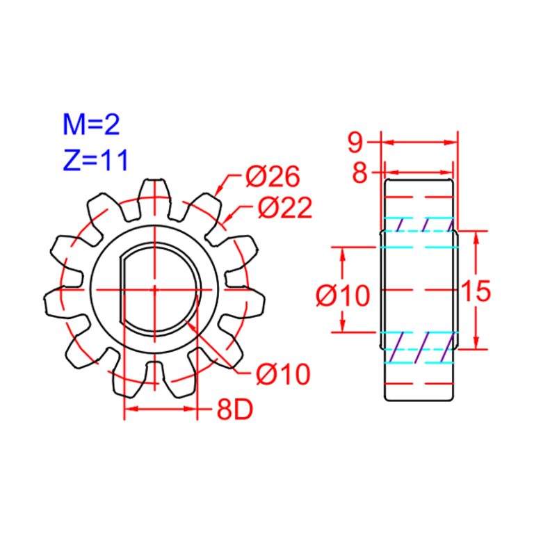
11T 22 Spur gear

Facebook
Twitter
LinkedIn

SN:B102

Size:M2*11T*9L

The Super Screw is a high-performance PP gear (Polypropylene) or PVDF gear (Polyvinylidene Fluoride), both materials offering exceptional chemical resistance, impact resistance, and high-temperature performance, making them perfect for precise, low-noise power transmission. These gears are widely used in light-duty mechanical systems, especially in environments where quiet operation, durability, and long-term performance are essential.

Product Details

 

Product Specifications

Parameter Specification
Module (M) 2
Number of Teeth (Z) 11
Outer Diameter Φ26 mm
Shaft Hole Diameter Φ10 mm (with keyway)
Product thickness 9 mm
Material PP / PVDF

 

Key Advantages of Super Screw Gear

Chemical Resistance & High-Temperature Performance (PP & PVDF):

PP gears offer outstanding chemical resistance, making them ideal for environments where they come into contact with acids, alkalis, solvents, and other chemical media.

PVDF gears provide superior high-temperature performance, suitable for power transmission in extreme environments where elevated temperatures are common.

Superior Wear Resistance:
Both PP and PVDF gears exhibit excellent wear resistance, extending their service life and reducing maintenance costs, especially in high-frequency, long-term applications.

Stable Dimensions & Durability:
Both materials feature low water absorption and excellent dimensional stability, ensuring that the gear maintains precise transmission performance within a temperature range of -40℃ to 100℃.

Low Noise Operation:
With smooth tooth surfaces and excellent damping properties, the Super Screw gear operates at noise levels as low as ≤40dB, significantly quieter than metal gears, making it ideal for noise-sensitive environments like offices and home appliances.

Lightweight & Cost-Effective:
PP and PVDF gears are not only cost-effective but also reduce the overall weight of mechanical systems, making them an ideal choice for light-duty, cost-sensitive applications.

 

Applications

The Super Screw gear is suitable for the following fields, especially in light-duty mechanical systems that require high precision, durability, and quiet operation:

Office Equipment: Printers, copiers, scanners, etc.

Home Appliances: Blenders, small fans, coffee machines, etc.

Automation Components: Light-duty conveyors, small robots, automated systems, etc.

Toy Models & DIY Projects: Perfect for precision models and DIY mechanical applications.

 

Product Features – In-Depth Explanation

Material Choice:

PP (Polypropylene): Offers excellent chemical resistance, low density, and is ideal for environments where chemical media are involved, with good impact resistance.

PVDF (Polyvinylidene Fluoride): Known for superior high-temperature resistance, it is widely used in environments that demand higher strength and temperature tolerance.

Wear Resistance:
Both PP and PVDF gears are self-lubricating, reducing friction and extending service life, thus minimizing maintenance requirements in high-frequency applications.

Low Noise:
Thanks to the material properties, the Super Screw gear operates at noise levels as low as ≤40dB, making it an ideal choice for applications requiring low-noise operation, such as office equipment and home appliances.

 

Company Overview & Trust Signals

Shenzhen Qixingyuan Machinery Equipment Co., Ltd. is a trusted manufacturer of precision plastic gears and mechanical components. With over 15 years of industry experience, we provide high-quality, durable solutions for various sectors, including office equipment, automation systems, and home appliances.

ISO 9001 Certified:
We adhere to strict quality control processes to ensure all our products meet international standards.

Product Video

Related Products

10T 30 Spur gear
10T 30 Spur gear
spur gear
Spur Gear
8T 22 Spur gear
8T 22 Spur gear AB
10T 25 Spur gear
10T 25 Spur gear

Leave a Message

To provide high-precision, high-performance PCB equipment accessories, empowering the global electronics manufacturing industry to achieve efficient production.